服务热线
0755-2988 6689
快速询价
CN
EN
首页
关于我们
企业简介
企业风采
产品中心
微型首饰点焊机
YAG激光电源
脉冲调流系列
脉冲调压系列
能量反馈系列
激光焊接头
QCW激光器
新闻中心
企业动态
行业新闻
服务支持
在线留言
应用领域
联系我们
联系方式
人才招聘
首页
关于我们
企业简介
企业风采
产品中心
微型首饰点焊机
YAG激光电源
激光焊接头
QCW激光器
新闻中心
企业动态
行业新闻
服务支持
在线留言
应用领域
联系我们
联系方式
人才招聘
语言
English
首页
产品中心
激光焊接头
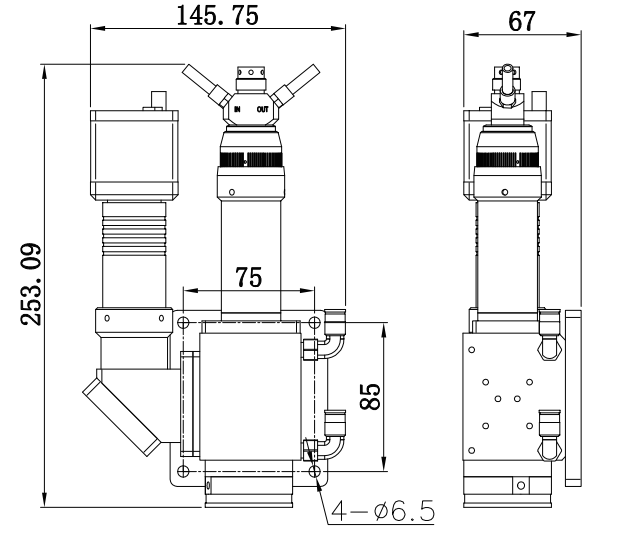
能升激光焊接头-NS20Y-E激光直输焊接头
产品特点:
*此焊接头在铜、铝、不锈钢、碳钢等金属焊接应用中有很强的优势,
是一款经济高效的焊接头
*可配各种带 QBH 接头的激光器
*全光学及本体水冷,提高焊接头的稳定性及使用寿命
*稳定可靠可承载 2000W 功率
产品详情
咨询/投诉
联系人
手机号码
公司名称
所在地区
咨询内容
提 交
相关产品
NS15S-双摆焊接头+伺服旋转送丝机构
此焊接头在铜、铝、不锈钢、碳钢等金属焊接应用中有很强的优势, 是一款经济高效的焊接头 ……
NS15S-双摆焊接头F300
此焊接头在铜、铝、不锈钢、碳钢等金属焊接应用中有很强的优势, 是一款经济高效的焊接头 ……
NS15S-双摆焊接头+步进旋转送丝机构
此焊接头在铜、铝、不锈钢、碳钢等金属焊接应用中有很强的优势, 是一款经济高效的焊接头 ……
NS15S-能升激光双摆焊接头
此焊接头在铜、铝、不锈钢、碳钢等金属焊接应用中有很强的优势, 是一款经济高效的焊接头 ……
NS15S双摆焊接头 配风刀
此焊接头在铜、铝、不锈钢、碳钢等金属焊接应用中有很强的优势, 是一款经济高效的焊接头 ……
NS15S-能升激光双摆焊接头
激光焊接头:焊接加瞄准组合设计,CCD视觉采集定位准确,可对薄壁材料,细节零件实现点焊、对接焊、叠焊、密封焊等
0755-29886689